Fluomizin®zerstört in vitro wirksam die Gardnerella-spp.-Biofilme
Fluomizin® ist gleich gut wirksam wie Clindamycin
Fluomizin® ist gleich gut wirksam wie Metronidazol
Zur heterogenen Zusammensetzung der Vaginalflora bei der BV
Fluomizin® zerstört in vitro wirksam die Gardnerella-spp.-Biofilme
Gaspar C et al.:
Dequalinium Chloride Effectively Disrupts Bacterial Vaginosis (BV) Gardnerella spp. Biofilms.
Pathogens. 2021 Feb 25;10(3):261.
Ziel der Studie:
Untersuchung der quaternären Ammoniumverbindung Dequaliniumchlorid (DQC) zur Beseitigung von
Gardnerella-spp.-Biofilmen.
Methodik:
Für die Untersuchung wurden fünf Gardnerella-spp.-Stämme aus dem Vaginalbereich mehrerer Frauen
verwendet. Auf Basis ihrer Virulenz wurden die Stämme zuvor entweder als BV- oder Nicht-BV-Stämme
klassifiziert.
Verfahren:
Die Wirkung der Testsubstanz auf die Biomasse und die metabolische Aktivität des Biofilms von
Gardnerella spp. wurde in vitro unter Verwendung eines Mikrotiterplatten-Assays bewertet.
Zusätzlich wurde die Wirkung von DQC mittels Rasterelektronenmikroskopie und
Konfokalmikroskopie untersucht.
Ergebnisse:
Die Ergebnisse zeigen, dass DQC wirksam die BV-assoziierten Gardnerella-spp.-Biotypen zerstört,
was sowohl ihre Biomasse als auch die metabolische Aktivität beeinträchtigt. Zusätzlich zeigt sich
eine Zerstörung der Biofilmstruktur, die wahrscheinlich durch unterschiedliche Wirkmechanismen
verursacht wird.
Die Autoren schlussfolgern, dass DQC als Antibiofilm-Wirkstoff in der Lage ist, Gardnerella-spp.-
assoziierte Biofilme bei BV wirksam zu schädigen. Daher ist die Anwendung eine valide Option zur
Therapie der BV und verfügt über das Potenzial, BV-Rezidive zu verhindern.
Dequaliniumchlorid und Clindamycin-Wirkung auf BV-Gardnerella-spp.-Biofilme
Abb. 1: Ergebnis der in-vitro-Studie: Clindamycin und Dequaliniumchlorid hemmen die metabolische Aktivität (blaue Säulen) und reduzieren die Biomasse (graue Säulen) von Gardnerella-Biofilmen in vergleichbarem Umfang. Die eingesetzte Wirkstoffkonzentration betrug jeweils 25,64 μg/ml.
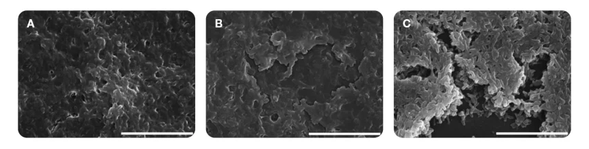
Visualisierung der Wirkung von Dequaliniumchlorid mittels Rasterelektronenmikroskopie
Abb. 2: Wirkung von Dequaliniumchlorid auf einen von Gardnerella vaginalis gebildeten Biofilm im REM-Bild. Bei dem verwendeten Bakterienstamm handelt es sich um ein Isolat aus dem Vaginalabstrich einer Patientin mit bakterieller Vaginose. Die Exposition erfolgte mit (A) Kulturmedium ohne Wirkstoff, (B) 8,11 μg/ml (EC50) und (C) 256 μg/ml Dequaliniumchlorid. Der Maßstabsbalken entspricht 10 μm.
Zusammenfassung:
Link zur Studie:
Dequalinium Chloride Effektively Disrupts Bacterial Vaginosis (BV) Gardnerella spp. Biofilms
https://pmc.ncbi.nlm.nih.gov/articles/PMC7996269/
Download Newsletter: Dequaliniumchlorid zerstört wirksam die Gardnerella spp.-Biofilme
DE-FLU-04-24-2400012
Studie: Fluomizin® ist gleich gut wirksam wie Clindamycin
Weissenbacher ER et al.:
A comparison of dequalinium chloride vaginal tablets (Fluomizin) and clindamycin vaginal cream in the treatment of bacterial vaginosis: a single-blind, randomized clinical trial of efficacy and safety.
Gynecol Obstet Invest 2012;73(1):8-15
Ziel der Studie:
Zu untersuchen, ob vaginal appliziertes Dequaliniumchlorid in der Behandlung der bakteriellen Vaginose (BV) so effektiv ist wie vaginales Clindamycin.
Design:
Multi-nationale, multi-zentrische, einfach-verblindete, randomisierte, aktiv-kontrollierte Nichtunterlegenheits-Studie mit 2 Parallelgruppen;
Frauen mit BV; 15 Zentren in 5 Ländern (DE, CH, BE, CZ, SK)
Verblindung:
2 unterschiedliche Ärzte waren verantwortlich für Rekrutierung/Screening/Behandlung und Wirksamkeitsbeurteilung.
Der wirksamkeitsbeurteilende Arzt kannte die Behandlung nicht.
Kontroll-Visiten:
Visite C1: 7 Tage nach Therapieende
Visite C2: 25 Tage nach Therapieende
Patienten:
321 Frauen mit BV (alle 4 Amsel-Kriterien positiv)
Medikation:
Die Frauen erhielten randomisiert entweder 1 Fluomizin Vaginaltablette (10 mg Dequaliniumchlorid) 1x täglich für 6 Tage oder
5 g Clindamycin Vaginal (2%) 1x täglich für 7 Tage
Primärer Endpunkt:
Klinische Heilungsrate bei C1 basierend auf den Amsel-Kriterien (Clue-Zellen negativ und maximal 1 anderes Kriterium positiv)
Sekundäre Endpunkte (unter anderem):
Klinische Heilungsrate bei C2
Individuelle Amsel-Kriterien:
- Therapieversagen (kein Ansprechen und Rezidiv)
- Häufigkeit einer vulvo-vaginalen Candidose (VVC)
- Gesamtsymptomen-Score (Ausfluss, Juckreiz, Brennen)
- Globale Wirksamkeitseinschätzung durch Arzt und Patientin
- Sicherheit
Zusammenfassung:
Link zur Studie: https://www.ncbi.nlm.nih.gov/pubmed/22205034
Download der Studienübersicht Weissenbacher
DE-FLU-04-24-2400012
Studie: Fluomizin® ist gleich gut wirksam wie Metronidazol
Übersicht:
Vergleichbare Wirksamkeit von Fluomizin® vs. Metronidazol
Raba G. et al.: Efficacy of dequalinium chloride vs metronidazole for the treatment of bacterial vaginosis:
a randomized clinical trial, JAMA Netw Open. 2024;7(5):e248661. doi:10.1001/jamanetworkopen.2024.861
Zielsetzung:
Vergleich der Wirksamkeit von Fluomizin® gegenüber Metronidazol p. o. bei der Behandlung von bakterieller Vaginose
Design:
Multizentrische, randomisierte Nichtunterlegenheitsstudie der Phase IV. Nichtunterlegenheitsmarge = 15 %
Studienpopulation:
147 prämenopausale, nicht schwangere Frauen > 18 Jahren mit symptomatischer bakterieller Vaginose wurden randomisiert und entweder mit Fluomizin® (n = 72) oder Metronidazol p. o. (n = 75) behandelt
Maßnahme:
Ergebnisse:
Vergleichbare Wirksamkeit von Fluomizin® gegenüber Metronidazol bei der Behandlung von bakterieller Vaginose1
• Die Nichtunterlegenheitsmarge wird dargestellt durch den blauen Bereich.
• Die Linien stellen das 95 %-Konfidenzintervall dar und zeigen, dass die Wirksamkeit von Fluomizin® mit der von Metronidazol gleichwertig ist.
Ergebnisse:
Klinische Verbesserung und Verträglichkeit (Patientinnen)1
Klinische Verbesserung:
Verträglichkeit (Patientinnen)
• Fluomizin® und Metronidazol führten zu einer ähnlichen klinischen Verbesserung.
• Fluomizin® war nach Ansicht der Patientinnen besser verträglich als Metronidazol.
Zwei Studien Fluomizin® vs. Antibiotika zeigen:
Fluomizin® ist gleich wirksam bei BV wie Standardtherapien1,2.
• Fluomizin® ist bei der Behandlung von BV genauso wirksam wie Clindamycin und Metronidazol.
• Wenige Nebenwirkungen und gute Verträglichkeit können dazu beitragen, die Compliance zu erhöhen und somit den Einsatz von Antibiotika zu reduzieren.
1) Raba G. et al., JAMA Netw Open. 2024;7(5):e248661. doi:10.1001/jamanetworkopen.2024.8661
2) Weissenbacher, E.R., et al., Gynecol Obstet Invest, 2012; 73(1): 8-15.
Link zur Studie: https://pubmed.ncbi.nlm.nih.gov/38696172/
Download der Studienübersicht Raba
DE-FLU-06-24-2400003
Studie: zur heterogenen Zusammensetzung der Vaginalflora bei der BV
Srinivasan S et al.:
Bacterial communities in women with bacterial vaginosis: high resolution phylogenetic analyses reveal relationships of microbiota to clinical criteria. PLoS One. 2012;7(6):e37818
Ziel der Studie:
Beschreibung der Zusammensetzung und Diversität des vaginalen Mikrobioms bei Frauen mit und ohne bakterieller Vaginose. Des Weiteren wurden die Zusammenhänge zwischen dem Vorhandensein von individuellen Bakterienspezies und den klinischen Diagnoseparametern der BV untersucht.
Methodik:
- Studie bei Patientinnen aus Klinik für sexuell übertragbare Erkrankungen in den USA
- Vaginalabstriche von 220 Frauen (Amsel-Kriterien: 55% BV-; 45% BV+)
- BV-Diagnose per Amsel-Kriterien & Nugent-Score (Gram-Färbung)
- Spezies-Zuordnung mittels rRNA-Analyse
- Untersuchung des Zusammenhangs zwischen Spezies-Mustern und klinischen Charakteristika
Zusammenfassung:
– Typische Bakterienfunde: Gardnerella vaginalis (97,4%), Atopobium vaginae (92%), aber auch: Lactobacillus iners (86%)
– L. crispatus für den Erhalt einer gesunden Vaginalflora wichtig zu sein
– L. iners weniger vor BV zu schützen und häufig auch beim Übergang zu einer BV-Flora eine Rolle zu spielen
Link zur Studie: https://www.ncbi.nlm.nih.gov/pubmed/22719852
Hier geht es zum Wirkspektrum von Fluomizin, das alle relevanten Keime der BV erfasst.
DE-FLU-04-24-2400012